MicroSquirt v3.0 running 3.76

This a a forum for beta testers prior to release (currently testing MS-II Sequencer beta units).

Moderators: grippo, grippo2, Bruce Bowling

Forum rules
Read the manual to see if your question is answered there before posting. If you have questions about MS1/Extra or MS2/Extra or other non-B&G code configuration or tuning, please post them at http://www.msextra.com The full forum rules are here: Forum Rules, be sure to read them all regularly.
Post Reply
24c
Master Squirter
Posts: 593
Joined: Sat Feb 16, 2008 12:15 pm
Location: Chorley, Lancashire UK
Contact:

MicroSquirt v3.0 running 3.76

Post by 24c »

I've had a couple of nice surprises over the last few days, one was being asked to be a beta tester again, and another, when I got home from work today, I was the recipient of a FedEx box, and inside was a beta MicroSquirt to test. 8)

It is my intention to road test this unit on my current ride once I get it MOT'd (UK annual roadworthy test certificate), but first I need to bench test the triggering, as there is no point just swapping it over and flattening a bike battery whilst I get up to speed with the differences.

After skimming through the documentation, I rewired my bench rig to suit my GTS1000 (4-0 VR crank trigger + 1 cam lobe VR trigger), and under cranking I got no RPMs detected, so no simulated "injection pulses" from my bank of 12V LEDs.

As I had issues with cam lobe to sensor clearance affecting I reduced this from 2mm previously to sub 0.20mm, to boost the voltage generated.

At this point the VR crank input is wired as per normal, and VR2- from the cam was sharing a common ground with VR1-, like the previous MicroSquirt documentation, but under cranking, there was no RPMs detected.

Next, I disconnected the VR2- common ground and left the VR2- input floating. I cranked the rig using the cordless drill and again no RPMs were detected, but as the crank was slowing down under its inertia, I picked up the VR2- floating contact with my finger and the injectors flashed. I glanced across to the TunerStudio tacho, and saw a brief RPM figure before the crank slowed to a stop. 8)

This suggests I needed an earth/ground, so I used the SENSOR GROUND (white/black loom wire), and I got rocky steady RPMs from 52-1436 on the TunerStudio tacho. I don't like the idea of the AC spike going into this pin 20 ground, especially as there can be around 100V p-p at high RPMs, so I hooked the VR2- to the GROUND plane, aka pins 21-23 and cranked the rig again. The LEDs flashed and RPMs were rocky steady, and went from 51-1423 revs.

I increased the air gap at the cam lobe to VRsensor to 2mm and there was no change in RPMs detected behaviour, so I increased the gap to 3mm and again RPMs were successfully detected from 51 revs upwards.

This is a major step forward in RPM detection with dual triggers, and especially for my set up, there are huge gains in the VR2 cam lobe detection over much bigger distances of the order of at least 30 fold (at 4mm the minimum RPM detected was around 80 revs).

I need to do more tests on the effects of putting this VR2- input into the ground plane, and check the interference levels.

Anyway a very positive few hours, and interesting feedback on the cam sensing capabilities using a VR sensor.

PS I am not using Auto Trigger at the moment, because my crank cam drive on my rig is by a rubber tyre (O ring), so it's position isn't fixed like a cam chain arrangement.
24c
Master Squirter
Posts: 593
Joined: Sat Feb 16, 2008 12:15 pm
Location: Chorley, Lancashire UK
Contact:

Re: MicroSquirt v3.0 running 3.76

Post by 24c »

Same as previous post, but this time connecting my Yamaha stick coils/COPs. I have set the dwell at close to the default of 3.1ms, yet the dwell gauge in TunerStudio is bouncing around from -32ms to 24ms. This gauge behaves the same without the ignition being connected, but whilst it is misbehaving the spark quality on one ignition channel is intermittent to none. :?

Anybody seen this? I am running wasted spark in 4 cylinder mode, and not getting any voltage fluctuations.
24c
Master Squirter
Posts: 593
Joined: Sat Feb 16, 2008 12:15 pm
Location: Chorley, Lancashire UK
Contact:

Re: MicroSquirt v3.0 running 3.76

Post by 24c »

24c wrote:Anybody seen this?.
I don't seem to be able to edit posts I've written, because I was going to update the one above. I have found the issue, it's probably my dummy engine test rig, because there isn't a fixed relationship between the cam and crank (they can slip relative to each other), so by altering the settings under Ignition Set Up > Base Ignition Settings > General Ignition > Trigger Offset to 0 from 45, the dwell is stabilised to its set values again.

At least I am confident that I won't burn out my stick coils now. :) So it's time to alter the OEM ECU to MicroSquirt Ampseal adaptor. 8)
Peter Florance
Helpful Squirter
Posts: 92
Joined: Fri Apr 02, 2004 7:40 pm
Location: Virginia Beach, VA
Contact:

Re: MicroSquirt v3.0 running 3.76

Post by Peter Florance »

Does this have the same VR input as the newest MS2Sequencer?
Peter Florance - PF Tuning http://www.pftuning.com
81 BMW Euro 528i ESP Car MS3 or MS2Sequencer V1.04 (depending on the day)
60-2 Wheel LS2 Coils, Low Z Inj
24c
Master Squirter
Posts: 593
Joined: Sat Feb 16, 2008 12:15 pm
Location: Chorley, Lancashire UK
Contact:

Re: MicroSquirt v3.0 running 3.76

Post by 24c »

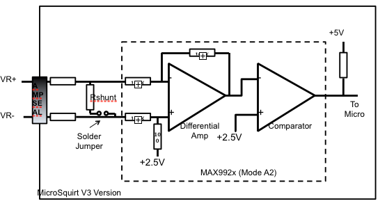
It uses the Maxim 9926 two channel conditioning chip, and it is in A2 Mode. It can be modded (shunt resistor added via solder pad bridge) to suit different sensor permutations, and is a big improvement over the cased MicroSquirt circuit for me.

I don't know if this is like the MS2 Sequencer
V3.0 VR circuit.png
V3.0 VR circuit.png (31.29 KiB) Viewed 4712 times
Peter Florance
Helpful Squirter
Posts: 92
Joined: Fri Apr 02, 2004 7:40 pm
Location: Virginia Beach, VA
Contact:

Re: MicroSquirt v3.0 running 3.76

Post by Peter Florance »

24c wrote:It uses the Maxim 9926 two channel conditioning chip, and it is in A2 Mode. It can be modded (shunt resistor added via solder pad bridge) to suit different sensor permutations, and is a big improvement over the cased MicroSquirt circuit for me.

I don't know if this is like the MS2 Sequencer
V3.0 VR circuit.png
Yep,

I used 1K shunt with it
Peter Florance - PF Tuning http://www.pftuning.com
81 BMW Euro 528i ESP Car MS3 or MS2Sequencer V1.04 (depending on the day)
60-2 Wheel LS2 Coils, Low Z Inj
24c
Master Squirter
Posts: 593
Joined: Sat Feb 16, 2008 12:15 pm
Location: Chorley, Lancashire UK
Contact:

Re: MicroSquirt v3.0 running 3.76

Post by 24c »

24c wrote:This suggests I needed an earth/ground, so I used the SENSOR GROUND (white/black loom wire), and I got rocky steady RPMs from 52-1436 on the TunerStudio tacho.
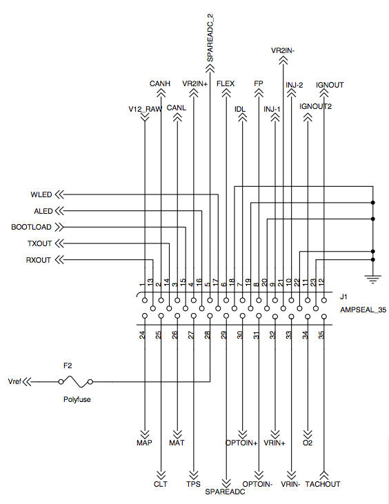
Just thought I'd stick my hand up here, I failed to notice that although the v3 MicroSquirt Ampseal is pin compatible with the earlier v1 & v2 cased MicroSquirts, pin 20 (white/black) is _now_ a VR2- input. :oops:
Ampseal_v3.png
(61.6 KiB) Not downloaded yet
Ampseal_v2.png
(64.91 KiB) Not downloaded yet
Please ignore my wiring comments earlier, and no wonder everything worked OK. :lol:
24c
Master Squirter
Posts: 593
Joined: Sat Feb 16, 2008 12:15 pm
Location: Chorley, Lancashire UK
Contact:

Re: MicroSquirt v3.0 running 3.76

Post by 24c »

I had made a new trigger wheel to fit a crankcase pulley on one of my old car engines the other day and I have been using the beta unit as a back to back test against v2 cased MicroSquirts running MSExtra and B&G code, and the v3 running 3.760 has been the best performing so far. I was able to identify a trigger wheel design error on my part, I made a 3mm wide trigger wheel for a 2mm Renault VR sensor and the run out variances played havoc with the sensing. I switched to a wider (6mm) old 36-1 wheel that I fitted to the "washing machine motor rig" and everything is faultless from 50-11780 rpm. Well impressed . 8)
Panhard_8-1_trigger_wheel.jpg
Initially OK, sync errors at 3000 rpm upwards- wheel too thin
(58.18 KiB) Not downloaded yet
36-1_wheel.jpg
Faultless performance across 50-11780 revs/min
(74.43 KiB) Not downloaded yet
Post Reply