Sharing oem sensors

For engine experimenters, the MicroSquirt® PCB is offered in a module format with enhanced capabilities to be plugged into other boards. This is the place to discuss the MicroSquirt Module.
warp21
MegaSquirt Newbie
Posts: 11
Joined: Sun Nov 15, 2009 3:10 am

Sharing oem sensors

Post by warp21 »

Can the Microsquirt module share oem temperature sensors with the factory ecu? It looks like I'd have to lift R7 and R10.
Matt Cramer
Super Squirter
Posts: 910
Joined: Sat Jul 03, 2004 11:35 am

Re: Sharing oem sensors

Post by Matt Cramer »

Depends on how exactly the factory ECU behaves. I take it you've seen this link:

http://www.megamanual.com/v22manual/sharesen.htm
Matt Cramer at DIY Autotune
Image
warp21
MegaSquirt Newbie
Posts: 11
Joined: Sun Nov 15, 2009 3:10 am

Re: Sharing oem sensors

Post by warp21 »

Yes I have. I've done it with the MSII PCB 3.0 and it worked fine. I didn't know if there was a way other than removing the resistors.
warp21
MegaSquirt Newbie
Posts: 11
Joined: Sun Nov 15, 2009 3:10 am

Re: Sharing oem sensors

Post by warp21 »

I have one more question. Would it be possible to share the factory map sensor signal assuming that I could get accurate kpa vs voltage values?
Matt Cramer
Super Squirter
Posts: 910
Joined: Sat Jul 03, 2004 11:35 am

Re: Sharing oem sensors

Post by Matt Cramer »

warp21 wrote:Yes I have. I've done it with the MSII PCB 3.0 and it worked fine. I didn't know if there was a way other than removing the resistors.
You could possibly do something with an op amp and a voltage follower circuit as well.
warp21 wrote:I have one more question. Would it be possible to share the factory map sensor signal assuming that I could get accurate kpa vs voltage values?
As long as it's voltage based and not frequency based, yes.
Matt Cramer at DIY Autotune
Image
warp21
MegaSquirt Newbie
Posts: 11
Joined: Sun Nov 15, 2009 3:10 am

Re: Sharing oem sensors

Post by warp21 »

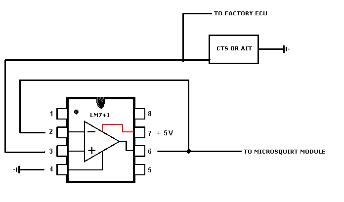
Does this look like correct? If so do I calibrate the sensors just as if the factory ecu was not there?
Attachments
MMTSC.GIF
MMTSC.GIF (5.2 KiB) Viewed 2211 times
Matt Cramer
Super Squirter
Posts: 910
Joined: Sat Jul 03, 2004 11:35 am

Re: Sharing oem sensors

Post by Matt Cramer »

That's about what I had in mind.
Matt Cramer at DIY Autotune
Image
warp21
MegaSquirt Newbie
Posts: 11
Joined: Sun Nov 15, 2009 3:10 am

Re: Sharing oem sensors

Post by warp21 »

Awesome, Thanks! I really didn't want to lift a surface mount resistor.
warp21
MegaSquirt Newbie
Posts: 11
Joined: Sun Nov 15, 2009 3:10 am

Re: Sharing oem sensors

Post by warp21 »

I used this on a spare MS I to test the accuracy of the circuit. I have a factory ecu with two of these LM741 circuits, one tied to the coolant sensor and one to the intake sensor. The MS is calibrated to work with the oem sensors and seems accurate. If I have the MS hooked to the sensors by itself the readings look OK but once I tap into the op amp output they read really low. I'm using the 5v from the factory ecu to power the op amp. Should I be using the 5v from the MS?
Matt Cramer
Super Squirter
Posts: 910
Joined: Sat Jul 03, 2004 11:35 am

Re: Sharing oem sensors

Post by Matt Cramer »

warp21 wrote:I used this on a spare MS I to test the accuracy of the circuit. I have a factory ecu with two of these LM741 circuits, one tied to the coolant sensor and one to the intake sensor. The MS is calibrated to work with the oem sensors and seems accurate. If I have the MS hooked to the sensors by itself the readings look OK but once I tap into the op amp output they read really low. I'm using the 5v from the factory ecu to power the op amp. Should I be using the 5v from the MS?
I'd definitely use the MS 5 volt. Is the voltage different on the input and output of the op amp?
Matt Cramer at DIY Autotune
Image
Post Reply