No injector pulse during cranking
Read the manual to see if your question is answered there before posting. If you have questions about MS1/Extra or MS2/Extra or other non-B&G code configuration or tuning, please post them at http://www.msextra.com The full forum rules are here: Forum Rules, be sure to read them all regularly.
-
gboezio
- Helpful Squirter
- Posts: 64
- Joined: Mon Dec 04, 2006 9:15 am
- Location: Victoriaville, QC, Canada
No injector pulse during cranking
The computer is in the garage, I'll try to get a video and a copy of my MSQ file.
Any help will be appreciated, it's almost alive, so close it hurts.
-
gboezio
- Helpful Squirter
- Posts: 64
- Joined: Mon Dec 04, 2006 9:15 am
- Location: Victoriaville, QC, Canada
Re: No injector pulse during cranking
Here's a samll vid of the startup
Left to right, RPM, TPS, PW1, PW2
Bottom, MAP, CLT, IGN ADV, IAT

- Attachments
-
- datalog startup No PW.msl
- (67.58 KiB) Downloaded 93 times
-
- VTR1000F 1.00.msq
- (25 KiB) Downloaded 86 times
-
gboezio
- Helpful Squirter
- Posts: 64
- Joined: Mon Dec 04, 2006 9:15 am
- Location: Victoriaville, QC, Canada
Re: No injector pulse during cranking
I may try to update the embedded code, maybe a mismatch is doing this.
-
gboezio
- Helpful Squirter
- Posts: 64
- Joined: Mon Dec 04, 2006 9:15 am
- Location: Victoriaville, QC, Canada
Re: No injector pulse during cranking
I do hit the burn button, cycle the power of the unit, but as soon as I close the advanced ignition window it replace my 12 teeths by 0.
I definitely need help on this one.
Edit : I made a new MSQ from scratch, it will stay programmed like I want until I turn on the power of MS, then the tooth number will change to 0 and will not come back. Even if I did not burn the values or if I do. I guess the new code is having conflict with MT
-
gboezio
- Helpful Squirter
- Posts: 64
- Joined: Mon Dec 04, 2006 9:15 am
- Location: Victoriaville, QC, Canada
Re: No injector pulse during cranking
I think it's over my head now.
Re: No injector pulse during cranking
As far as edis - you can NOT have any teeth with edis because edis means 36 teeth and you get your tach pulses from edis, so the processor does not care about no. teeth and because it messes up the code to have edis + no. teeth > 0 (because it doesn't know which mode to follow) no. teeth is automatically set to 0 if you choose edis. This last change was in recent code, but it is necessary. Older code would not work properly with edis + no. teeth > 0. The new code makes this obvious.
I have never seen any code that won't operate the injectors unless you have them configured wrong (for example too short a pw or bad pwm settings) or you have no rpm. The other possibility is something wrong with the wiring, but this is unlikely since you are able to operate them in test mode. What pw does the MT gauge give you ?
-
gboezio
- Helpful Squirter
- Posts: 64
- Joined: Mon Dec 04, 2006 9:15 am
- Location: Victoriaville, QC, Canada
Re: No injector pulse during cranking
Thanks for the reply, I was so desperate, I had zero PW except for the priming pulse, then nothing, but since I updated both code and ini file, I get the pulses working right and it smells like it. My guess is that the embedded code and MT were not matching and it created a conflict or it was the EDIS thing or another mistake.grippo wrote:There is nothing wrong with the code. Someone just had the problem of no. teeth would not burn and I think and they reloaded and it went away. (Or it might have been that they had rpm running (from engine or stim) when they did the burn or you didn't hit the tab button after you entered no. teeth).
As far as edis - you can NOT have any teeth with edis because edis means 36 teeth and you get your tach pulses from edis, so the processor does not care about no. teeth and because it messes up the code to have edis + no. teeth > 0 (because it doesn't know which mode to follow) no. teeth is automatically set to 0 if you choose edis. This last change was in recent code, but it is necessary. Older code would not work properly with edis + no. teeth > 0. The new code makes this obvious.
I have never seen any code that won't operate the injectors unless you have them configured wrong (for example too short a pw or bad pwm settings) or you have no rpm. The other possibility is something wrong with the wiring, but this is unlikely since you are able to operate them in test mode. What pw does the MT gauge give you ?
But when I choose the normal coil charging option I'm loosing spark totally.
I moved the jumper in uS and I'm trying to figure out what setting is the good one to drive a smart (I think) ignition system, The EDIS makes good clean sparks when it was working on the older version, maybe not at the right time, so I thought that it was the correct setting for the logic level, I think that if I could get the standard coil setting to fire a square wave, I could probably get it started, the coil fire when the power is shut down.
So it explains why it won't stay set to 12 with the new code, I was definitely hitting tab, loaded and reloaded, booted and rebooted any way I could imagine, but it seem to be a mistake from me.
Other than that this is fantastic, it was so easy to set up and wire, everything worked right away, if I haven't ran into this snag it would have been a matter of a single week end
The question remains, how could I set up to trigger my coils ?? I have looked around to find the place where I have read about the jumper, thinking that maybe some information on the correct setting was there as well, but I can't find it back.
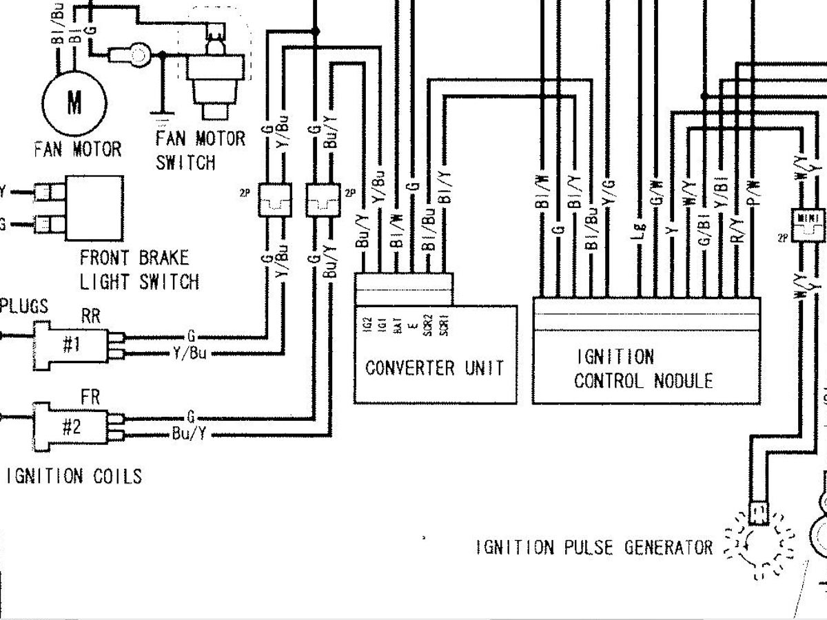
Here's a partial picture of the wiring diagram, I used the Black/Blue and Black/Yellow wires to the two ignition outputs
- Attachments
-
- Wiring ignition.JPG
- (213.55 KiB) Downloaded 5 times
Re: No injector pulse during cranking
-
gboezio
- Helpful Squirter
- Posts: 64
- Joined: Mon Dec 04, 2006 9:15 am
- Location: Victoriaville, QC, Canada
Re: No injector pulse during cranking
I'm not using EDIS, it's the stock ignition module that was controlling the coils, the ignition computer is disconnected and I get my tach from the 12-3 toothed wheel and VR snesor that was used originally.grippo wrote:I'm not sure what is going on here. Are you using EDIS or not ? If there is another ignition module, as shown in the figure, are you using it to control spark and just taking the tach signal from it ? You can't have both microsquirt and the ignition module controlling the coils. If you are using the converter wires to control the coils, are they disconnected from the ignition controller ?
I wired the plugs and selected, normal coils...no spark, EDIS clean blue spark, EDIS multispark ..no spark, so it was obvious to me that the correct choice was EDIS...or not
Correct, I moved the jumper to the logic position, and wired the ignition outputs to the two inputs of the converter unit. I'm getting good clean spark when I could run EDIS setting and 12-3 tooths setting on the older code, the unit throw really nice blue sparks, but I had no PW back then so I updated the code and now get the pulses going, but since the code wont allow my franken-EDIS setting, I lost my spark.grippo wrote: If so then you have a standard toothed wheel setup where you are controlling logic level individual coils, and the ignition controller can be taken out of the picture. If that is the case, post the msq you are currently using. Also, do you have specs on what is needed to control the converter unit in the diagram, or can you just use the microsquirt VB921/ Bosch ignition drivers and bypass the converter unit.
When I select driving coils it will spark once, i usually get a spark when I shut off the power (I need to confirm this)
I'm thinking of selecting the regular coil driving option and increase the dwell until I get spark.
I have found this morning some code modifications to increase the dwell to 25, I may try this to see how it works.
I don't have the specs of the Honda converter unit.
The MSQ I'm using is posted on the first posts, this is the one that got me no PW using the firmware that came with the unit.
I will be away from home until friday, but I have internet here, but not my files.
Thanks again for help, I'm taking any suggestions as gold lol.